
|
平膜压力变送器|供应PM30平膜压力变送器|厂家批发平膜压力变送器PM30平膜压力变送器采用平面膜传感器直接感受压力。传感器接口有卡箍式,螺纹式,法兰式可供选择。PM30平膜压力变送器输出信号有电压、电流、频率信号等可选择,传感器平膜片防止了结垢,不卫生及粘稠液体堵塞等问题。PM30平膜压力变送器广泛应用于食品、医药、卫生及酿酒工业等部门。 |
详细说明
PM30平膜压力变送器采用平面膜传感器直接感受压力。传感器接口有卡箍式,螺纹式,法兰式可供选择。PM30平膜压力变送器输出信号有电压、电流、频率信号等可选择,传感器平膜片防止了结垢,不卫生及粘稠液体堵塞等问题。PM30平膜压力变送器广泛应用于食品、医药、卫生及酿酒工业等部门。
产品特点
无进压孔、无腔平面结构
多种信号输出形式、电压、电流、频率信号等
高精度、高强度
卫生型、防结垢
质保期:12个月
技术参数
供电电源:12VDC~36VDC、典型24VDC
输出信号:4~20mA、1~5V、0~10mA、0~20mA、0~5V、0~10V
量程范围:-0.1…0~0.02…35Mpa
补偿温度:-10~70℃
介质温度:-40~125℃
环境温度:-40~85℃
外壳防护:IP65
压力类型:表压、绝压、密封压
精度:0.1、0.3、0.5级可选
长期稳定性:≤0.2%FS/年
零点温度漂移:±0.03%FS/℃
灵敏度温度漂移:±0.03%FS/℃
过载压力:200%FS
固有频率:5kHz~650kHz
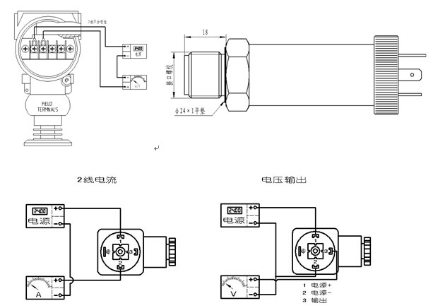
仪表外形尺寸及接线示意图
安装方法及安全使用注意事项
1、 选择易于操作、维护的地方进行安装;
2、 应尽量远离振动源安装;
3、 应尽量远离热源的地方;
4、 最好通过阀门与测量管道连接;
5、 安装时用扳手夹紧在变送器六方处;
6、 操作时Hirschmann接头与外壳连接处不能转动。
7、 搬运与安装变送器时应小心谨慎,避免元器件受冲击而损坏,影响电路的性能。
8、 变送器接口处有隔离膜片,切勿人为用异物触碰。
9、 电气连接请严格遵照接线方法,接线错误会造成放大电路的损坏。
10、 在产品安装使用中如遇到问题请与我公司联系,在产品发生异常时,请不要擅自打开进行修理,应及时与厂家联系。